| Verfügbarkeitsstatus: | |
|---|---|
| Menge: | |
WSGJ-1000
WS
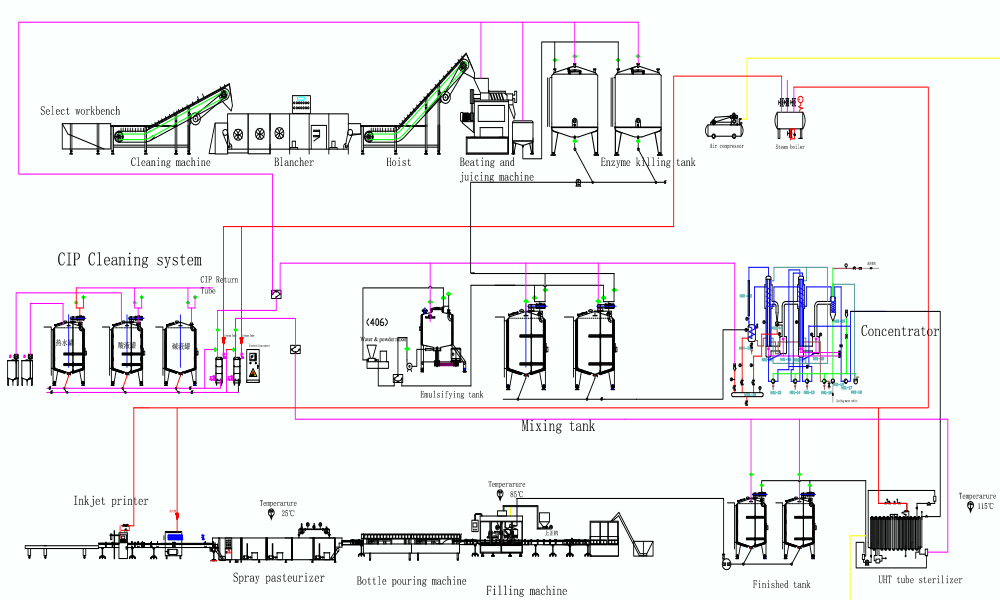
Zu den Fruchtmausverarbeitungsmaschinen gehören hauptsächlich Obstschleifer und Pulsmaschine, Kochmaschine, Sterilisationssystem sowie Füll- und Verpackungslinie. Unterschiedliche Füllgeräte und Marmeladenverarbeitungsgeräte können nach verschiedenen Produkten übereinstimmen.
Wie machen wir Obstmarmelade? Wir konzentrieren uns auf das schlüsselfertige Projekt der gesamten Linie und bieten Installation, Inbetriebnahme und Schulung der Produktionslinie an. Wir haben ein professionelles Installationsteam im Ausland. Sie müssen nur die Produkte bereitstellen, die Sie ausführen möchten, und die Produktionskapazität, die Sie ausführen möchten, und wir können Ihnen in einem Schritt helfen.
Wie lange kann der fertige Marmelade erhalten bleiben? Nach der Behandlung unserer Ausrüstung enthält der Stau keine aktiven Bakterien, sodass er 1 bis 2 Jahre lang erhalten werden kann.
Verarbeitungstechnologiediagramm
Die Maschine umfasst Wassertank, Gebläse, Eimeraufzug, Wasserloch, Sprührohr und Wasserpumpe Das Versorgungsmodell hat eine einfache Struktur. Durch das Einstellen eines Luftrohrs in den Wassertank, die Frucht in den Wassertank rollen, der Schmutz auf der Oberfläche der Früchte wird gereinigt, der Reinigungseffekt ist gut, die Arbeitseffizienz wird bereitgestellt und die Arbeitsintensität der Arbeiter wird verringert.

Pulsmaschine
Die Maschine wird verwendet, um frisches Obst und Gemüse zu schlagen, um Nüsse zu trennen. Es kann Obstzellstoff in Fruchtsaft und getrennte Nüsse, Samen und Häute schlagen. Solange die Bildschirme unterschiedlicher Spezifikationen geändert werden und der Leitwinkel des Schabers angepasst wird, können unterschiedliche Schlagengeschwindigkeiten geändert und zufriedenstellende Ergebnisse erzielt werden.
Vakuumkonzentrator
Der Doppel -Effekt -Konzentrator besteht aus Doppelheizungen, Doppelverdampfungskammern, Kondensatoren, flüssigen Empfangtanks und anderen Geräten mit hoher Effizienz, sauberer und sanitärer, energiesparender und langer Lebensdauer.
Das konzentrierte Produkt hat eine hohe Qualität und eine stabile Konzentration
UHT Tubularsterilisator


Unsere Stärken:
*Es kann gemäß den besonderen Anforderungen der Benutzer konzipiert werden
*Mehrere Produkte können auf derselben Produktionslinie hergestellt werden
*Es kann qualitativ hochwertige Produkte produzieren und Nährstoffe aufbewahren
*Aromatische Substanzen können genau hinzugefügt und gemischt werden
*Erweitern Sie die Haltbarkeit von Produkten
*Großer Ausgang und kleiner Verlust
*Anwendung von Hochtechnologien zum Einsparen des Energieverbrauchs
*Fruchtsafttyp, Verpackungstyp und Automatisierungsabschluss können nach den Kundenanforderungen abgestimmt werden.
Zu den Fruchtmausverarbeitungsmaschinen gehören hauptsächlich Obstschleifer und Pulsmaschine, Kochmaschine, Sterilisationssystem sowie Füll- und Verpackungslinie. Unterschiedliche Füllgeräte und Marmeladenverarbeitungsgeräte können nach verschiedenen Produkten übereinstimmen.
Wie machen wir Obstmarmelade? Wir konzentrieren uns auf das schlüsselfertige Projekt der gesamten Linie und bieten Installation, Inbetriebnahme und Schulung der Produktionslinie an. Wir haben ein professionelles Installationsteam im Ausland. Sie müssen nur die Produkte bereitstellen, die Sie ausführen möchten, und die Produktionskapazität, die Sie ausführen möchten, und wir können Ihnen in einem Schritt helfen.
Wie lange kann der fertige Marmelade erhalten bleiben? Nach der Behandlung unserer Ausrüstung enthält der Stau keine aktiven Bakterien, sodass er 1 bis 2 Jahre lang erhalten werden kann.
Verarbeitungstechnologiediagramm
Die Maschine umfasst Wassertank, Gebläse, Eimeraufzug, Wasserloch, Sprührohr und Wasserpumpe Das Versorgungsmodell hat eine einfache Struktur. Durch das Einstellen eines Luftrohrs in den Wassertank, die Frucht in den Wassertank rollen, der Schmutz auf der Oberfläche der Früchte wird gereinigt, der Reinigungseffekt ist gut, die Arbeitseffizienz wird bereitgestellt und die Arbeitsintensität der Arbeiter wird verringert.

Pulsmaschine
Die Maschine wird verwendet, um frisches Obst und Gemüse zu schlagen, um Nüsse zu trennen. Es kann Obstzellstoff in Fruchtsaft und getrennte Nüsse, Samen und Häute schlagen. Solange die Bildschirme unterschiedlicher Spezifikationen geändert werden und der Leitwinkel des Schabers angepasst wird, können unterschiedliche Schlagengeschwindigkeiten geändert und zufriedenstellende Ergebnisse erzielt werden.
Vakuumkonzentrator
Der Doppel -Effekt -Konzentrator besteht aus Doppelheizungen, Doppelverdampfungskammern, Kondensatoren, flüssigen Empfangtanks und anderen Geräten mit hoher Effizienz, sauberer und sanitärer, energiesparender und langer Lebensdauer.
Das konzentrierte Produkt hat eine hohe Qualität und eine stabile Konzentration
UHT Tubularsterilisator


Unsere Stärken:
*Es kann gemäß den besonderen Anforderungen der Benutzer konzipiert werden
*Mehrere Produkte können auf derselben Produktionslinie hergestellt werden
*Es kann qualitativ hochwertige Produkte produzieren und Nährstoffe aufbewahren
*Aromatische Substanzen können genau hinzugefügt und gemischt werden
*Erweitern Sie die Haltbarkeit von Produkten
*Großer Ausgang und kleiner Verlust
*Anwendung von Hochtechnologien zum Einsparen des Energieverbrauchs
*Fruchtsafttyp, Verpackungstyp und Automatisierungsabschluss können nach den Kundenanforderungen abgestimmt werden.